Questions? Feedback?
powered by
Olark live chat software
Magyar
English
Română
Српски
Slovenčina
Русский
Deutsch
COMPANY
PRODUCTS
CATALOGUE
GALLERY
REQUEST
CONTACTS
ISUZU Trucks
Zanotti raktérhűtés
PRODUCTS
SUBFRAME COMPONENTS
ALUMINIUM PROFILES
STEEL SIDE BOARDS
LASHING RAIL SYSTEMS
PLYWOODS
KINNEGRIP PILLARS
PLATFORM COMPONENTS
VAN AND REFRIGERATED BOX COMPONENTS
MISCELLANOUS PARTS
ALUMINIUM TRUCK BODY BOX
TARPAULIN SYSTEMS
ALUMINIUM REAR DOOR SET
THERMOISOLATED SANDWICH PANELS
TIPPER BODY COMPONENTS
SUPERSTRUCTURE KIT, REAR TIPPER
TIPPER PLATFORM( TR3 )SPARE PARTS
LIGHT WEIGHT TIPPER BODY SET
HYDRAULIC COMPONENTS
ALUMINUM PLATES
REFRIGERATORS AND AIR CONDITIONERS
SPECIAL SUPERSTRUCTURE
ALUMINIUM SHUTTER
TAIL LIFTS
HORIZONTAL LOADING/UNLOADING SYSTEM
HORSE TRUCKS
KÖMMERLING ADHESIVES
INTEGRATED SLEEP MODULES AND INDEPENDENT AUXILIARY HEATING
LAMPS
SPOILERS
GLASS-FIBRE-REINFORCED LAMINATE BASED ON A POLYESTER RESIN
»
Other products
ASK FOR A CALL BACK
Name
Phone
+
Subject
Send »
SEARCH
CATALOGUE »
NEWS
New Product Group
xxxxx
Széchényi Terv 2020
Széchényi Terv
Homepage
»
PRODUCTS
»
TIPPER BODY COMPONENTS
»
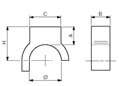
Product specification
Code:
322-101-101
Weight:
7,7kg
Ask for an offer
Please fill out all fields!
Name
Company name (at privat person please give own name)
Address
Company tax number (if do not know please write 0)
Phone
E-mail
Message
I accept the Privacy Notice
PDF reader dowload
COMPANY
|
PRODUCTS
|
CATALOGUE
|
GALLERY
|
CONTACTS
|
REQUEST
Eurowind © 2012. All Rights Reserved